您所在的位置   技术支持 》 减速电机篇 》 台湾阪神系列 》WST系列


WST  系列
功率
(W)
型号
减速比
重量
规格
尺寸
DWG
文档下载
100W
WST-030/040-010-010-080/030-040-56B5 300,400,500,600,750,900,1200,1500,1800,2400,3200
3.5kg/0.3'
WST-030/040-010-010-080/030-040-56B14 300,400,500,600,750,900,1200,1500,1800,2400,3200
3.5kg/0.3'
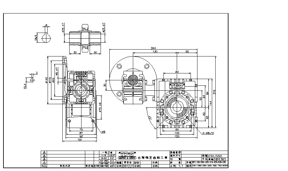
WST-030/050-010-010-060/030-050-56B5 300,400,500,600,750,900,1200,1500,1800,2400,3200
4.7kg/0.35'
WST-030/050-010-010-060/030-050-56B14 300,400,500,600,750,900,1200,1500,1800,2400,3200
4.7kg/0.35'
WST-030/063-010-010-060/040-050-56B5 300,400,500,600,750,900,1200,1500,1800,2400,3200
7.4kg/0.45'
WST-030/063-010-010-060/040-050-56B14 300,400,500,600,750,900,1200,1500,1800,2400,3200
7.4kg/0.45'
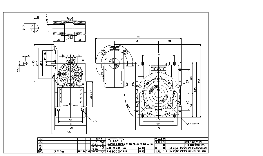
WST-040/075-010-010-060/030-050-56B5 300,400,500,600,750,900,1200,1500,1800,2400,3200
11.3kg/1.0'
200W
WST-030/050-020-010-025/030-050-63B5 300,400,500,600,750
4.7kg/0.35'
WST-030/050-020-010-025/030-050-63B14 300,400,500,600,750
4.7kg/0.35'
WST-030/063-020-010-030/040-060-63B5 300,400,500,600,750,900,1200
7.4kg/0.45'
WST-030/063-020-010-030/040-060-63B14 300,400,500,600,750,900,1200
7.4kg/0.45'
WST-040/075-020-010-060/030-050-63B5 300,400,500,600,750,900,1200,1500,1800
11.3kg/1.0'
WST-040/075-020-010-060/030-050-63B14 300,400,500,600,750,900,1200,1500,1800
11.3kg/1.0'
400W WST-040/075-040-010-010/030-050-71B5 300,400,500 11.3kg/1.0'
WST-040/075-040-010-010/030-050-71B14 300,400,500 11.3kg/1.0'
配速表
030/040
减速比
搭配速比
030
040
300
10
30
400
10
40
500
20
25
600
20
30
750
25
30
900
30
30
1200
30
40
1500
50
30
1800
60
30
2400
60
40
3200
80
40
  
030/050
减速比
搭配速比
030
050
300
10
30
400
10
40
500
10
50
600
20
30
750
25
30
900
30
30
1200
30
40
1500
50
30
1800
60
30
2400
60
40
3200
60
50
  
030/063
减速比
搭配速比
030
063
300
10
30
400
10
40
500
10
50
600
15
40
750
15
50
900
15
60
1200
30
40
1500
30
50
1800
30
60
2400
60
40
3200
60
50
  
040/075
减速比
搭配速比
040
075
300
10
30
400
10
40
500
10
50
600
20
30
750
25
30
900
30
30
1200
30
40
1500
50
30
1800
60
30
2400
60
40
3200
60
50
 
返回上一页
  |  首   页  |  技术支持  |  文档下载  |  企业新闻  |  代理品牌  |  联络我们  |  
销售助理   销售助理 CopyRight 2005 NINETOWNS 南京哈宁轴承制造有限公司 All Right Reserved.
Please read our
abba.8767.com
电话:
025-52217447    传真:025-52300551   Email:hrbn@vip.qq.com
地址:
江苏省南京市莫愁路99号     邮编:210004
网站备案序号:苏ICP备16004265号-1

 
销售助理   销售助理