您所在的位置   技术支持 》 减速电机篇 》 台湾阪神系列 》GHD系列


GHD  卧式三相、单项
出轴直径
功率(W)
型号
减速比
重量
规格尺寸
DWG文档下载
18
100
GHD-18-100-5~60 R:5,10,15,20
L:25,30,40,50,60
3.4kg/0.4
200
GHD-18-200-5~25 R:5,10,15,20
L:25
3.4kg/0.4'

22

100
GHD-22-100-60~200 L:60,80,100,120,160,200
4.9kg/0.6'
200
GHD-22-200-30~100 L:30,40,50,60,80,100
4.9kg/0.6'
400
GHD-22-400-5-25 R:5,10,15
L:20,25
5.1kg/0.6'
28
100
GHD-28-100-300~450 R:300,375,450
11kg/0.8'
200
GHD-28-200-100~200 L:100,120,160,200
11kg/0.8'
400
GHD-28-400-30~100 L:30,40,50,60,80,100
8kg/0.8'
750
GHD-28-750-5~25 R:5,10,15,20
L:25
9.4kg/0.8'
32
100
GHD-32-100-600~1200 R:600,750,900,1200
18kg/1.2'
200
GHD-32-200-300~450 R:300,375,450
18kg/1.2'
400
GHD-32-400-100~200 L:100,120,160,200
20kg/1.2'
750
GHD-32-750-30~100 L:30,40,50,60,80,100
20kg/1.2'
1500
GHD-32-1500-5~25 R:5,10,15,20
L:25
18kg/1.2'
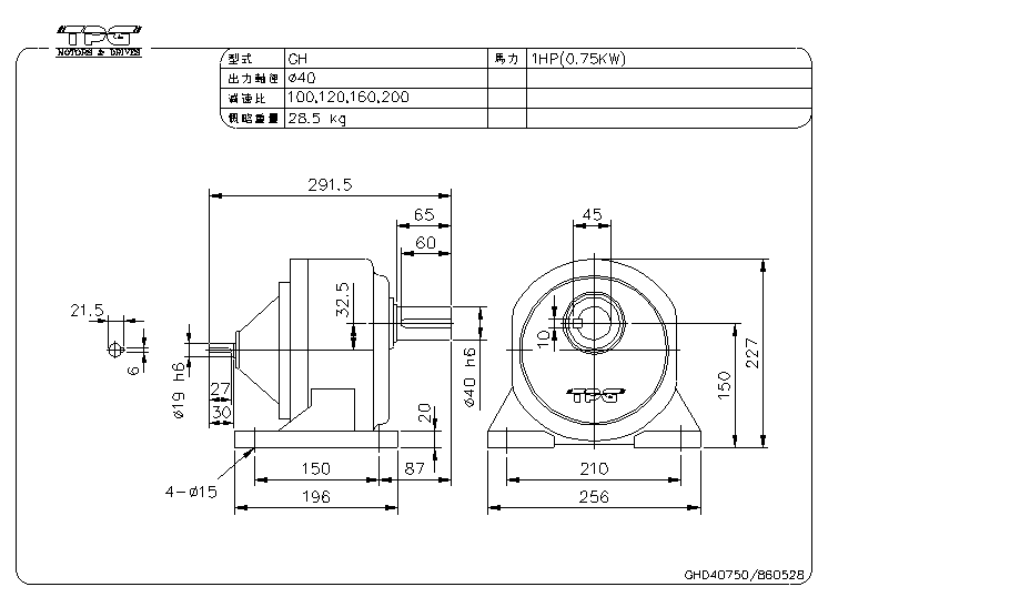
40
200
GHD-40-200-60~1200 R:600,750,900,1200
28.5kg/1.6'
400
GHD-40-400-300~450 R:300,375,450
28.5kg/1.6'
750
GHD-40-750-100~200 L:100,120,160,200
28.5kg/1.6'
1500
GHD-40-1500-30~100 L:30,40,50,60,80,100
29kg/1.6'
2200
GHD-40-2200-5~25 R:5,10,15,20
L:25
28.5kg/1.6'
50
400
GHD-50-400-600~1200 R:600,750,900,1200
50kg/2.13'
750
GHD-50-750-300~450 R:300,375,450
50kg/2.13'
1500
GHD-50-1500-100~200 L:100,120,160,200
50kg/2.13'
2200
GHD-50-2200-30-100 L:30,40,50,60,80,100
56.4kg/2.13'
4000
GHD-50-4000-5~25 R:5,10,15,20,25
56.4kg/2.13'
 
 
56
750
GHD-56-750-600~1200 R:600,750,900,1200
80.5kg/3'
 
 
1500
GHD-56-1500-300~450 R:300,375,450
105.5kg/4'
 
 
2200
GHD-56-2200-100-200 L:100,120,160,200
80.5kg/3'
 
 
4000
GHD-56-4000-30~100 L:30,40,50,60,80,100
80.5kg/3'
 
 
5500
GHD-56-5500-5~25 R:5,10,15,20,25
80.5kg/3'
 
 
63
1500
GHD-63-1500-600~1200 R:600,750,900,1200
105.5kg/4'
 
 
2200
GHD-63-2200-300~450 R:300,375,450
105.5kg/4'
 
 
4000
GHD-63-4000-100~200 L:100,120,160,200
105.5kg/4'
 
 
5500
GHD-63-5500-30~100 L:30,40,50,60,80,100
105.5kg/4'
 
 
7500
GHD-63-7500-5~25 R:5,10,15,20,25
105.5kg/4'
 
 
 
返回上一页
  |  首   页  |  技术支持  |  文档下载  |  企业新闻  |  代理品牌  |  联络我们  |  
销售助理   销售助理 CopyRight 2005 NINETOWNS 南京哈宁轴承制造有限公司 All Right Reserved.
Please read our
abba.8767.com
电话:
025-52217447    传真:025-52300551   Email:hrbn@vip.qq.com
地址:
江苏省南京市莫愁路99号     邮编:210004
网站备案序号:苏ICP备16004265号-1

 
销售助理   销售助理