您所在的位置  技术支持 》 同步带轮  》 TL-14M-85

返回上一页



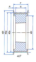
型号
齿数
结构
材料
锥孔号
DP
De
Df
Dm
Di
F
S
R
挡板号
TL28-14M-85
28
4F
STEEL
2517
124.78
122.12
128
94
102
45
28.5
153
TL29-14M-85
29
4F
STEEL
2517
129.23
126.57
138
100
102
45
28.5
154
TL30-14M-85
30
4F
STEEL
2517
133.69
130.99
138
100
102
45
28.5
154
TL32-14M-85
32
4F
STEEL
2517
142.60
139.88
154
108
102
45
28.5
160
TL34-14M-85
34
4F
STEEL
2517
151.52
148.79
160
110
102
45
28.5
166
TL36-14M-85
36
4F
STEEL
3020
160.43
157.68
168
120
102
51
25.5
168
TL38-14M-85
38
4F
STEEL
3020
169.34
166.60
183
130
102
51
25.5
172
TL40-14M-85
40
4F
STEEL
3020
178.25
175.49
188
138
102
51
25.5
162
TL44-14M-85
44
4F
STEEL
3020
196.08
193.28
211
153
102
51
25.5
175
TL48-14M-85
48
4F
STEEL
3020
213.90
211.11
226
170
102
51
25.5
180
TL56-14M-85
56
4F
STEEL
3525
249.55
246.76
256
210
102
65
18.5
182
TL64-14M-85
64
9WF
CAST IRON
3525
285.21
282.41
296
190
240
102
65
18.5
184
TL72-14M-85
72
9W
CAST IRON
3525
320.86
318.06
190
280
102
65
18.5
TL80-14M-85
80
9A
CAST IRON
3525
356.51
353.71
190
315
102
65
18.5
TL90-14M-85
90
9A
CAST IRON
3525
401.07
398.28
190
360
102
65
18.5
TL112-14M-85
112
9A
CAST IRON
3525
499.11
496.32
190
457
102
65
18.5
TL144-14M-85
144
9A
CAST IRON
3525
641.71
638.92
190
600
102
65
18.5
TL168-14M-85
168
9A
CAST IRON
3525
748.66
745.87
190
706
102
65
18.5
TL192-14M-85
192
3A
CAST IRON
4040
855.62
852.82
190
813
102
102
TL216-14M-85
216
3A
CAST IRON
4040
962.57
959.76
190
920
102
102
      材质:AL:铝;CAST IRON:铸铁;STEEL:铁
 
返回上一页
  |  首   页  |  技术支持  |  文档下载  |  企业新闻  |  代理品牌  |  联络我们  |  
销售助理   销售助理 CopyRight 2005 NINETOWNS 南京哈宁轴承制造有限公司 All Right Reserved.
Please read our
abba.8767.com
电话:
025-52217447    传真:025-52300551   Email:hrbn@vip.qq.com
地址:
江苏省南京市莫愁路99号     邮编:210004
网站备案序号:苏ICP备16004265号-1

 
销售助理   销售助理