您所在的位置  技术支持 》 同步带轮  》 直孔 L075 系列(9.525mm)

返回上一页


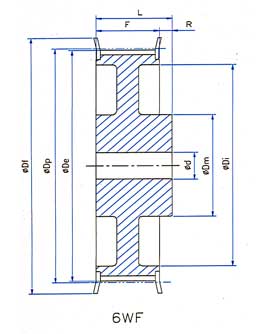
型号
齿数
结构
材质
DP
De
Df
Dm
Di
F
L
d
挡板号
10 L 075
10
6F
STEEL
30.32
29.56
37
20
-
25.4
38
8
50
11 L 075
11
6F
STEEL
33.35
32.59
37
22
-
25.4
38
8
50
12 L 075
12
6F
STEEL
36.38
35.62
43
24
-
25.4
38
8
52
13 L 075
13
6F
STEEL
39.41
38.65
44
28
-
25.4
38
8
83
14 L 075
14
6F
STEEL
42.45
41.68
48
28
-
25.4
38
11
54
15 L 075
15
6F
STEEL
45.48
44.72
51
34
-
25.4
38
11
55
16 L 075
16
6F
STEEL
48.51
47.75
54
36
-
25.4
38
11
56
17 L 075
17
6F
STEEL
51.54
50.78
57
36
-
25.4
38
11
57
18 L 075
18
6F
STEEL
54.57
53.81
60
40
-
25.4
38
11
58
19 L 075
19
6F
STEEL
57.61
56.84
64
40
-
25.4
38
11
59
20 L 075
20
6F
STEEL
60.64
59.88
66
40
-
25.4
38
11
60
21 L 075
21
6F
STEEL
63.67
62.91
70
45
-
25.4
38
11
61
22 L 075
22
6F
STEEL
66.7
65.94
75
45
-
25.4
38
11
62
23 L 075
23
6F
STEEL
69.73
68.97
79
55
-
25.4
38
11
63
24 L 075
24
6F
STEEL
72.77
72
79
55
-
25.4
38
11
63
25 L 075
25
6F
STEEL
75.8
75.04
83
58
-
25.4
38
11
64
26 L 075
26
6F
STEEL
78.83
78.07
87
58
-
25.4
38
11
65
27 L 075
27
6F
STEEL
81.86
81.1
87
58
-
25.4
38
11
65
28 L 075
28
6F
STEEL
84.89
84.13
91
58
-
25.4
38
11
66
29 L 075
29
6F
STEEL
87.93
87.16
93
58
-
25.4
38
11
67
30 L 075
30
6F
STEEL
90.96
90.2
97
70
-
25.4
38
11
68
32 L 075
32
6F
STEEL
97.02
96.26
102
70
-
25.4
38
11
70
33 L 075
33
6F
STEEL
100.05
99.29
106
70
-
25.4
38
11
71
34 L 075
34
6F
STEEL
103.08
102.32
112
70
-
25.4
38
11
72
35 L 075
35
6F
STEEL
106.12
105.35
112
70
-
25.4
38
11
72
36 L 075
36
6F
STEEL
109.15
108.39
128
70
-
25.4
38
11
74
40 L 075
40
6WF
STEEL
121.28
120.51
128
70
100
25.4
38
11
78
41 L 075
41
6WF
STEEL
124.31
123.55
135
70
103
25.4
38
11
80
42 L 075
42
6WF
STEEL
127.34
126.58
135
70
106
25.4
38
11
80
44 L 075
44
6WF
STEEL
133.4
132.64
142
70
112
25.4
38
11
81
45 L 075
45
6WF
STEEL
136.44
135.67
150
70
115
25.4
38
11
81
47 L 075
47
6WF
STEEL
142.5
141.74
150
70
121
25.4
38
11
85
48 L 075
48
6WF
STEEL
145.53
144.77
150
70
124
25.4
38
11
85
49 L 075
49
6W
CAST IRON
148.56
147.8
-
70
127
25.4
38
14
-
50 L 075
50
6W
CAST IRON
151.6
150.83
-
70
130
25.4
38
14
-
52 L 075
52
6W
CAST IRON
157.66
156.9
-
70
136
25.4
38
14
-
56 L 075
56
6W
CAST IRON
169.79
169.02
-
70
149
25.4
38
14
-
57 L 075
57
6W
CAST IRON
172.82
172.06
-
70
152
25.4
38
14
-
60 L 075
60
6W
CAST IRON
181.91
181.15
-
75
160
25.4
45
14
-
65 L 075
65
6A
CAST IRON
197.07
196.31
-
75
176
25.4
45
14
-
66 L 075
66
6A
CAST IRON
200.11
199.34
-
75
179
25.4
45
14
-
72 L 075
72
6A
CAST IRON
218.3
217.53
-
75
197
25.4
45
14
-
84 L 075
84
6A
CAST IRON
254.68
253.92
-
75
233
25.4
45
14
-
90 L 075
90
6A
CAST IRON
272.87
272.11
-
75
252
25.4
45
14
-
96 L 075
96
6A
CAST IRON
291.06
290.3
-
75
269
25.4
45
14
-
120 L 075
120
6A
CAST IRON
363.83
363.07
-
75
342
25.4
45
14
-
      材质:AL:铝;CAST IRON:铸铁;STEEL:铁
返回上一页
  |  首   页  |  技术支持  |  文档下载  |  企业新闻  |  代理品牌  |  联络我们  |  
销售助理   销售助理 CopyRight 2005 NINETOWNS 南京哈宁轴承制造有限公司 All Right Reserved.
Please read our
abba.8767.com
电话:
025-52217447    传真:025-52300551   Email:hrbn@vip.qq.com
地址:
江苏省南京市莫愁路99号     邮编:210004
网站备案序号:苏ICP备16004265号-1

 
销售助理   销售助理