您所在的位置  技术支持 》 带座轴承篇 》 UCP300SC系列
返回上一页

 
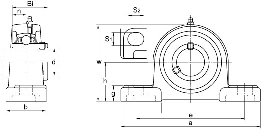
型号
轴径
d
mm
轴承型号
基本尺寸
mm
螺栓尺寸
mm
座型号
质量
kg
h
a
e
b
s1
s2
g
w
Bi
n
UCP310SC
50
UC310
75
275
212
75
20
35
27
148
61
22
M16
P310SC
9.2
UCP311SC
55
UC311
80
310
236
80
20
38
30
158
66
25
M16
P311SC
10.9
UCP312SC
60
UC312
85
330
250
85
25
38
32
168
71
26
M20
P312SC
12.6
UCP313SC
65
UC313
90
340
260
90
25
38
35
178
75
30
M20
P313SC
14.2
UCP314SC
70
UC314
95
360
280
90
27
40
38
188
78
33
M22
P314SC
14.9
UCP315SC
75
UC315
100
380
290
100
27
40
38
200
82
32
M22
P315SC
20.7
UCP316SC
80
UC316
106
400
300
110
27
40
38
211
86
34
M22
P316SC
24.2
UCP317SC
85
UC317
112
420
320
110
33
45
45
222
96
40
M27
P317SC
28.4
UCP318SC
90
UC318
118
430
330
110
33
45
45
234
96
40
M27
P318SC
30.9
UCP319SC
95
UC319
125
470
360
120
36
50
51
248
103
41
M30
P319SC
37.9
UCP320SC
100
UC320
140
490
380
120
36
50
51
273
108
42
M30
P320SC
45.2
UCP322SC
110
UC322
150
520
400
140
40
55
57
296
117
46
M33
P322SC
53.1
UCP324SC
120
UC324
160
570
450
140
40
55
57
316
126
51
M33
P324SC
69
UCP326SC
130
UC326
180
600
480
140
40
55
57
355
135
54
M33
P326SC
85.6
UCP328SC
140
UC328
200
620
500
140
40
55
70
396
145
59
M33
P328SC
114
 
返回上一页
  |  首   页  |  技术支持  |  文档下载  |  企业新闻  |  代理品牌  |  联络我们  |  
销售助理   销售助理 CopyRight 2005 NINETOWNS 南京哈宁轴承制造有限公司 All Right Reserved.
Please read our
abba.8767.com
电话:
025-52217447    传真:025-52300551   Email:hrbn@vip.qq.com
地址:
江苏省南京市莫愁路99号     邮编:210004
网站备案序号:苏ICP备16004265号-1

 
销售助理   销售助理