您所在的位置  技术支持 》 直线导轨篇 》 德国星牌直线导轨 》 1623系列   钢制标准滑块(45-65)
返回上一页

 
窄 长
     
   

DWG下载
45系列
55系列
65系列

 
  动态数值  
  速度        Vmax =3 m/s  
  加速度    amax =250 m/s2  
  详细技术数据见"一般技术数据和计算"章节  
 


特殊款式

部件号表
规格
精度等级
滑块部件号预紧等级
至大约10 um 间隙
预紧0.02 C
预紧 0.08 C
预紧0.13 C
45*
P
1623-412-10
1623-422-10
1623-432-10
H
1623-493-10
1623-413-10
1623-423-10
N
1623-494-10
1623-414-10
1623-424-10
50
P
1623-512-10
1623-522-10
1623-532-10
H
1623-593-10
1623-513-10
1623-523-10
N
1623-594-10
1623-514-10
1623-524-10
65
P
1623-612-10
1623-622-10
1623-632-10
H
1623-693-10
1623-613-10
1623-623-10
N
1623-694-10
1623-614-10
1623-624-10
精度等级H,预紧等级间隙/0.02C的滑块也可供货下列款式:
 
 
镀硬铬滑块体

防腐CR:
    部件号:1623-..3-60
 
          *淘汰款式

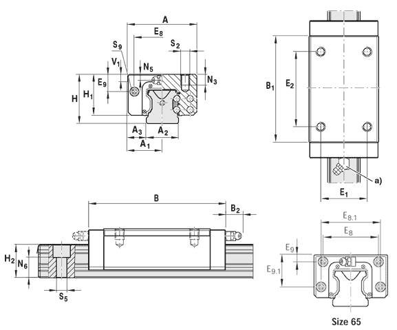
a)润滑嘴规格45和55:BM 6 DIN 71412 B2=16mm
   润滑嘴规格65:BM 8*1 DIN 71412 B2=16mm
   润滑嘴在供货范围内(未安装),可安在任意面上。

 
尺寸(mm)
规格
A
A1
A2
A3
B
B1
H
H1
H21)
H22)
V1
E1
E2
E8
E8.1
E9
E9.1
N3
45*
86
43
45
20.5
170.0
133.5
60
50.0
40.15
39.85
10.0
60
80
69.8
20.9
18.0
55
100
50
53
23.5
200.0
155.5
70
57.0
48.15
47.85
12.0
75
95
80.0
22.3
19.0
65
126
63
63
31.5
243.0
194.6
90
76.0
60.15
59.85
15.0
76
120
76.0
100
11.0
53.5
21.0
    H21)为带防护带尺寸。    H22)为不带防护带尺寸
尺寸(mm)
额定载荷(N)
额定转矩(Nm)
规格
N5
N6±0,5
S2
S5
S9
重量
[kg]
动载
C
静载
C0
动载
Mt
静载
Mt0
动载
ML
静载
ML0
45*
8.0
23.5
M10
14.0
M4-7
3.1
90400
128500
2440
3470
1700
2425
55
9.0
29.2
M12
16.0
M5-8
4.8
124200
170000
3950
5400
2630
3600
65
16.0
38.5
M16
18.0
M4-7
9.8
163000
289000
6440
11420
4620
8190
 
  |  首   页  |  技术支持  |  文档下载  |  企业新闻  |  代理品牌  |  联络我们  |  
销售助理   销售助理 CopyRight 2005 NINETOWNS 南京哈宁轴承制造有限公司 All Right Reserved.
Please read our
abba.8767.com
电话:
025-52217447    传真:025-52300551   Email:hrbn@vip.qq.com
地址:
江苏省南京市莫愁路99号     邮编:210004
网站备案序号:苏ICP备16004265号-1

 
销售助理   销售助理