您所在的位置    技术支持 》 交叉滚子工作台 》 韩国SBC系列 》SCVRU系列
返回上一页

        

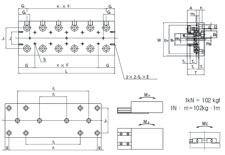
型号
主要尺寸
工作台面尺寸
最大
行程
宽度W
±0.1
高度T
±0.1
长度L
重量
kg
工作台安装
螺纹孔位置
侧面安装
螺纹孔位置
J
n × F
G
S
J1
n1 × F1
G1
G2
b1
T3
S1 × l
SCVRU2035
18
40
21
30
0.2
15
-
17.5
M3×0.5
25
1×15
10
3
16
3.4
M2
(螺距
0.4×4)
SCVRU2050
30
50
0.26
1×15
2×15
4.5
SCVRU2065
40
65
0.34
2×15
3×15
7
SCVRU2080
50
80
0.42
3×15
4×15
9.5
SCVRU2095
60
95
0.5
4×15
5×15
12
SCVRU2110
70
110
0.58
5×15
6×15
14.5
SCVRU2125
80
125
0.66
6×15
7×15
17
 
型号
侧面尺寸
基座面尺寸安装孔位置
滚子
个数
Z
基本额定负荷
许用静力矩
精度
um
T2
T1
K
d×D×h
D1
m1
A
m2
J2
f1
  f2  
  f3  
  f4  
  g  
C
KN
C0
KN
MA
N•m
MB
N•m
MC
N•m
  C  
D
SCVRU2035
14
6.5
7.5
3.5×6×3.5
6
M3
11
M3
30
25
-
-
-
5
5
0.51
0.51
2.29
1.40
3.06
2
4
SCVRU2050
40
-
-
-
7
0.69
0.76
3.76
2.60
4.59
SCVRU2065
55
-
-
-
9
0.85
0.98
5.62
4.17
5.89
5
SCVRU2080
70
40
-
-
12
1.18
1.57
9.10
7.22
9.42
SCVRU2095
85
55
-
-
14
1.27
1.76
11.8
9.70
10.5
SCVRU2110
100
70
-
-
17
1.47
2.06
16.7
14.1
12.3
3
6
SCVRU2125
115
85
-
-
19
1.57
2.25
20.4
17.5
13.5

型号
主要尺寸
工作台面尺寸
最大
行程
宽度W
±0.1
高度T
±0.1
长度L
重量
Kg
工作台安装
螺纹孔位置
侧面安装
螺纹孔位置
J
n × F
G
S
J1
n1 × F1
G1
G2
b1
T3
S1 × l
SCVRU3055
30
60
28
55
0.57
25
-
27.5
M4×0.7
39
1×25
15
2.5
40
5.5
M3
(螺距
0.5×6)
SCVRU3080
45
80
0.8
1×25
2×25
10.5
SCVRU3105
60
105
0.13
2×25
3×25
15/5
SCVRU3130
75
130
1.26
3×25
4×25
20.5
SCVRU3155
90
155
1.49
4×25
5×25
25.5
SCVRU3180
105
180
1.72
5×25
6×25
30.5
SCVRU3205
130
205
1.95
6×25
7×25
30.5
 
型号
侧面尺寸
基座面尺寸安装孔位置
滚子
个数
Z
基本额定负荷
许用静力矩
精度
um
T2
T1
K
d×D×h
D1
m1
A
m2
J2
f1
  
f2  
  
f3  
  
f4  
  
g  
C
KN
C0
KN
MA
N•m
MB
N•m
MC
N•m
  
C  
D
SCVRU3055
18.5
9
10
4.5×7.5×5
7.5
M4
14.5
M4
40
35
-
-
-
10
6
1.47
1.67
9.85
6.54
15.5
2
5
SCVRU3080
60
-
-
-
10
2.06
2.75
22.2
17.0
25.6
SCVRU3105
85
-
-
-
13
2.35
3.33
34.8
28.1
31.1
3
6
SCVRU3130
110
-
-
-
17
2.94
4.41
55.8
47.1
41.2
SCVRU3155
135
-
85
-
20
3.53
5.49
74.7
64.6
51.2
SCVRU3180
160
-
100
-
24
4.02
6.57
104
92.3
61.3
7
SCVRU3205
185
85
135
-
26
4.22
7.16
120
107
66.8

型号
主要尺寸
工作台面尺寸
最大
行程
宽度W
±0.1
高度T
±0.1
长度L
重量
Kg
工作台安装
螺纹孔位置
侧面安装
螺纹孔位置
J
n × F
G
S
J1
n1 × F1
G1
G2
b1
T3
S1 × l
SCVRU4085
50
80
35
85
1.5
40
-
42.5
M5×0.8
53
1×40
22.5
10.5
55
6.5
M3
(螺距
0.5×6)
SCVRU4125
75
125
2.3
1×40
2×40
18
SCVRU4165
105
165
3.1
2×40
3×40
23
SCVRU4205
135
205
3.8
3×40
4×40
30.5
SCVRU4245
155
245
4.6
4×40
5×40
38
SCVRU4285
185
285
5.3
5×40
6×40
43
 
型号
侧面尺寸
基座面尺寸安装孔位置
滚子
个数
Z
基本额定负荷
许用静力矩
精度
um
T2
T1
K
d×D×h
D1
m1
A
m2
J2
f1
  f2  
  f3  
  f4  
  g  
C
KN
C0
KN
MA
N•m
MB
N•m
MC
N•m
  C  
D
SCVRU4085
24
10.5
12.5
5.5×9.5×6
9.5
M4
18.5
M4
60
65
-
-
-
10
7
3.53
4.80
48.7
33.7
64.0
2
5
SCVRU4125
80
-
-
-
22.5
11
5.20
8.04
101
79.1
107
3
6
SCVRU4165
120
-
-
-
14
6.77
11.3
153
125
150
7
SCVRU4205
160
80
-
-
18
8.14
14.5
239
204
193
SCVRU4245
200
120
-
-
22
9.42
17.7
344
302
235
SCVRU4285
240
160
-
-
26
10.7
20.9
468
418
278

型号
主要尺寸
工作台面尺寸
最大
行程
宽度W
±0.1
高度T
±0.1
长度L
重量
Kg
工作台安装
螺纹孔位置
侧面安装
螺纹孔位置
J
n × F
G
S
J1
n1 × F1
G1
G2
b1
b2
T3
t2
S1 × l
SCVRU6110
60
100
45
110
3.2
50
-
55
M6
63
1×50
30
16
60
92
8
15
M4
(螺距
0.7×8)
SCVRU6160
95
160
4.6
1×50
2×50
23.5
SCVRU6210
130
210
6.0
2×50
3×50
31
SCVRU6260
165
260
7.4
3×50
4×50
38.5
SCVRU6310
200
310
8.7
4×50
5×50
46
SCVRU6360
235
360
10.1
5×50
6×50
53.5
SCVRU9410
265
410
11.5
6×50
7×50
63.5
 
型号
侧面尺寸
基座面尺寸安装孔位置
滚子
个数
Z
基本额定负荷
许用静力矩
精度
um
T2
T1
K
d×D×h
D1
m1
A
m2
J2
f1
  
f2  
  
f3  
  
f4  
  
g  
C
KN
C0
KN
MA
N•m
MB
N•m
MC
N•m
  
C  
D
SCVRU6110
31
13
15
7×11×7
11
M5
23.5
M5
60
90
-
-
-
10
6
7.45
10.6
121
80.5
158
3
6
SCVRU6160
140
-
-
-
9
9.31
14.1
231
171
211
3
6
SCVRU6210
190
-
90
-
13
12.5
21.1
428
345
317
3
7
SCVRU6260
240
-
140
-
16
15.6
28.2
616
516
423
3
7
SCVRU6310
290
-
190
-
19
17.1
31.8
838
720
476
4
8
SCVRU6360
340
140
240
-
22
19.8
38.8
1090
958
582
4
8
SCVRU9410
390
190
290
-
26
22.5
45.9
1480
1320
688
4
8

型号
主要尺寸
工作台面尺寸
最大
行程
宽度W
±0.1
高度T
±0.1
长度L
重量
Kg
工作台安装
螺纹孔位置
侧面安装
螺纹孔位置
J
n × F
G
S
J1
n1 × F1
G1
G2
b1
b2
T3
t2
S1 × l
SCVRU9210
130
145
60
210
12.0
85
-
105
M8
96
1×100
55
27
90
135
11
20
M4
(螺距
0.7×8)
SCVRU9310
180
310
17.6
1×100
2×100
52
SCVRU9410
350
410
23.2
2×100
3×100
17
SCVRU9510
450
510
28.8
3×100
4×100
SCVRU9610
550
610
34.4
4×100
5×100
SCVRU9710
650
710
40.0
5×100
6×100
SCVRU9810
750
810
45.6
6×100
7×100
 
型号
侧面尺寸
基座面尺寸安装孔位置
滚子
个数
Z
基本额定负荷
许用静力矩
精度
um
T2
T1
K
d×D×h
D1
m1
A
m2
J2
f1
  
f2  
  
f3  
  
f4  
  
g  
C
KN
C0
KN
MA
N•m
MB
N•m
MC
N•m
  
C  
D
SCVRU9210
43
16
21
9×14×9
14
M8
32
M6
90
100
-
-
-
55
9
20.9
34.9
837
622
838
3
7
SCVRU9310
200
-
-
-
14
31.9
61.1
1760
1440
1460
3
7
SCVRU9410
300
-
100
-
15
31.9
61.1
1990
1650
1460
4
8
SCVRU9510
400
-
200
-
19
38.4
78.5
3030
2600
1880
4
8
SCVRU9610
500
100
300
-
22
44.7
96.0
3950
3460
2300
4
9
SCVRU9710
600
200
400
-
26
50.6
114
5380
4810
2730
4
9
SCVRU9810
700
300
500
100
29
53.5
123
6600
5960
2940
5
10
 
返回上一页
  |  首   页  |  技术支持  |  文档下载  |  企业新闻  |  代理品牌  |  联络我们  |  
销售助理   销售助理 CopyRight 2005 NINETOWNS 南京哈宁轴承制造有限公司 All Right Reserved.
Please read our
abba.8767.com
电话:
025-52217447    传真:025-52300551   Email:hrbn@vip.qq.com
地址:
江苏省南京市莫愁路99号     邮编:210004
网站备案序号:苏ICP备16004265号-1

 
销售助理   销售助理