您所在的位置  技术支持 》 万向节篇 》 日本KYOWA万向节  》 SD系列产品介绍

返回上一页

SD-**-00A[φ6~50]

附属品:
强力销2支
扣环2个

GBD**-00

 

SD-**-03A(新JIS标准)[φ6~50]
附属品:
强力销1支
扣环1个
SD-**-33A(新JIS标准)[φ6~50]
 
SD-**-08A(旧JIS标准)[φ10~50]
附属品:
强力销1支
扣环2个
SD-**-88A(旧JIS标准)[φ10~50]
附属品:
扣环2个

型号
允许条件变数
允许回转数
(min-1)
允许作动角度
(°)
允许扭力
(N.m)
静破坏扭力
(N.m)
静拉伸破坏荷重
(N)
GD2
(kg.cm2)
重量
(g)
SD-06-**
32,000
2,500
片側30
3.96
12
5,300
0.029
30
SD-08-**
48,000
2,200
片側30

8.58

26
7,840
0.069
50
SD-10-**
80,000
2,000
片側30
20.1
61
13,000
0.21
95
SD-12-**
121,000
1,800
片側30
33
100
23,000
0.55
180
SD-14-**
151,000
1,600
片側30
46
140
26,000
1.0
250
SD-16-**
200,000
1,400
片側30
76
230
39,000
2.3
410
SD-18-**
232,000
1,200
片側30
96
290
44,000
3.7
550
SD-20-**
273,000
1,000
片側30
129
390
52,000
5.7
690
SD-22-**
344,000
900
片側30
185
560
68,000
9.1
940
SD-25-**
406,000
800
片側30
248
750
81,000
15
1,240
SD-30-**
531,000
700
片側30
363
1,100
100,000
31
1,775
SD-35-**
711,000
600
片側30
594
1,800
140,000
75
3,180
SD-40-**
918,000
500
片側30
891
2,700
180,000
120
4,150
SD-45-**
1,150,000
400
片側30
1,155
3,500
220,000
210
6,225
SD-50-**
1,400,000
300
片側30
1,419
4,300
280,000
340
7,750

角 度
5°以下
10°
15°
20°
25°
30°
角度系数
1.00
1.05
1.18
1.43
1.82
2.50
 
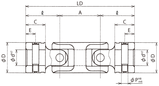
型号
d
D
LD
A
l
C
E
P
b
t
b8
t8
M
KD
SD-06-**A
6
12
49.5
18.5
15.5
9
4.5
3
3
SD-08-**A
8
15
58
22
18
10
5
3.5
3
26
SD-10-**A
10
19
67.5
25.5
21
12
6
4.5
3
11.4
4
11.5
5
32
SD-12-**A
12
23
83
31
26
15
7.5
5
4
13.8
4
13.5
5
36
SD-14-**A
14
26
94.5
35.5
29.5
17
8.5
5.8
5
16.3
5
16
6
40
SD-16-**A
16
30
117.5
43.5
37
22
11
6.5
5
18.3
5
18
6
46
SD-18-**A
18
33
129
48
40.5
23.5
11.75
7
6
20.8
5
20
6
52
SD-20-**A
20
36
139
52
43.5
25
12.5
8
6
22.8
5
22
6
58
SD-22-**A
22
40
150
56
47
27
13.5
9
6
24.8
7
25
6
62
SD-25-**A
25
44
168
63
52.5
30
15
10
8
28.3
7
28
8
68
SD-30-**A
30
51
195
73
61
35
17.5
11.5
8
33.3
7
33
8
82
SD-35-**A
35
59
224
84
70
40
20
13
10
38.3
10
38.5
10
90
SD-40-**A
40
67
251
94
78.5
45
22.5
14.5
12
43.3
10
43.5
10
100
SD-45-**A
45
75
282
106
88
50
25
16
14
48.8
12
48.5
10
110
SD-50-**A
50
83
304
113
95.5
55
27.5
17.5
14
53.8
12
53.5
10
120
 
返回上一页
  |  首   页  |  技术支持  |  文档下载  |  企业新闻  |  代理品牌  |  联络我们  |  
销售助理   销售助理 CopyRight 2005 NINETOWNS 南京哈宁轴承制造有限公司 All Right Reserved.
Please read our
abba.8767.com
电话:
025-52217447    传真:025-52300551   Email:hrbn@vip.qq.com
地址:
江苏省南京市莫愁路99号     邮编:210004
网站备案序号:苏ICP备16004265号-1

 
销售助理   销售助理