您所在的位置  技术支持 》 减速电机篇 》 台湾城邦减速电机 》 CHM 卧式入力法兰 齿轮减速机


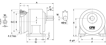
入力孔尺寸
功率
入力孔
键槽
S1 F7
W1
T1
1/4 HP
∮11
4
12.8
1/2 HP
∮14
5
16.3
1 HP
∮19
6
21.8
2 HP
∮24
8
27.3
3 HP
∮28
8
31.3
5 HP
∮28
8
31.3

出力轴尺寸
出力轴
键槽
Sh6
P
W
T
Q
SPEC'
∮18
30
5
20.2
27
5*5*27
∮22
40
7
25
35
7*7*35
∮28
45
7
31.1
40
7*7*40
∮32
55
10
35.5
50
10*8*50
∮40
65
10
43.5
60
10*8*60
∮50
80
14
54
75
14*9*75
单位(mm)
功率
减速比
型号(S)
A
B
C
D
E
F
G
H
I
J
K
L
N
X
Y
Z
CAD文档
200W
1/4HP
3-10
18
160
110
130
40
110
135
65
9
55
16
50
10.5
160
138
88.5
M8
15-90
22
195
110
130
65
130
158
90
11
55
17.7
60
13
160
152
97.5
M8
100-170
28
225
110
130
90
140
178
120
11
55
23.1
70.5
17
160
178
116
M8
400W
1/2HP
3-10
22
195
110
130
65
130
158
90
11
55
17.7
60
13
160
152
97.5
M8
15-90
28
225
110
130
90
140
178
120
11
55
23.1
70.5
17
160
178
116
M8
100-200
32
255
110
130
130
170
215
165
13
55
30.2
70
21
160
216
138.5
M8
750W
1HP
3-25
28
250
130
165
90
140
178
120
11
82
23.1
70.5
17
200
178
116
M10
30-120
32
285
130
165
130
170
215
165
13
82
30.2
70
21
200
216
138.5
M10
125-200
40
325
130
165
150
210
265
205
15
82
36
83
23
200
250
160
M10
1500W
2HP
3-30
32
285
130
165
130
170
215
165
13
82
30.2
70
21
200
216
138.5
M10
40-100
40
340
130
165
150
210
265
205
15
82
36
83
23
200
250
160
M10
105-120
50
405
130
165
170
265
335
230
18
82
51
121
30
200
306
200
M10
2200W
3HP
3-40
40
350
180
215
150
210
265
205
15
95
36
83
23
250
250
160
M14
45-100
50
415
180
215
170
265
335
230
18
95
51
121
30
250
306
200
M14
3700W
5HP
3-10
40
350
180
215
150
210
265
205
15
95
36
83
23
250
250
160
M14
15-60
50
415
180
215
170
265
335
230
18
95
51
121
30
250
306
200
M14
备注: 配合IEC马达为主。
 
返回上一页
  |  首   页  |  技术支持  |  文档下载  |  企业新闻  |  代理品牌  |  联络我们  |  
销售助理   销售助理 CopyRight 2005 NINETOWNS 南京哈宁轴承制造有限公司 All Right Reserved.
Please read our
abba.8767.com
电话:
025-52217447    传真:025-52300551   Email:hrbn@vip.qq.com
地址:
江苏省南京市莫愁路99号     邮编:210004
网站备案序号:苏ICP备16004265号-1

 
销售助理   销售助理