您所在的位置    技术支持 》 缓冲器篇 》 AC自动补偿系列
返回上一页

迷你型-附撞击头
型号
行程
(mm)
最大吸收
能量
Nm(Et)
小时吸收
能量
Nm(Etc)
最大有效
重量
Kg(Me)
最高撞击
速度
m/s(v)
工作
温度
(℃)
重量
(g)
螺纹
公称
行程
(mm)
A B C D E F H I
AC-0806-1
6
2
8800
0.5
2.0
-10~+80
11
M8×1.0
6
50
38
6.6
2.8
6
33
11
3
AC-0806-2
2.0
1.0
AC-8006-3
6.0
0.5
AC-1005-1
5
3
10800
1
3.0
-10~+80
14
M10×1.0
5
38.7
27.7
8.6
3
6
22.9
12.7
3
AC-1005-2
3
1.5
AC-1005-3
7
0.8
AC-1008-1
8
4
15200
2
3.0
-10~+80
20
M10×1.0
8
57
43
8.6
3
6
38
12.7
3
AC-1008-2
4
1.5
AC-1008-3
9
0.8
AC-1210-1
10
5
17640
5
3.0
-10~+80
31.5
M12×1.0
10
69.5
50
10.3
3
9.5
45.5
14
4
AC-1210-2
10
1.5
AC-1210-3
30
0.8

迷你型-无撞击头
型号
行程
(mm)
最大吸收
能量
Nm(Et)
小时吸收
能量
Nm(Etc)
最大有效
重量
Kg(Me)
最高撞击
速度
m/s(v)
工作
温度
(℃)
重量
(g)
螺纹
公称
行程
(mm)
A B C   D   E F H   I  
AC-0806-1N
6
2
8800
0.5
2.0
-10~+80
10
M8×1.0
6
44
38
  -  
2.8
  -  
33
11
3
AC-0806-2N
2.0
1.0
AC-8006-3N
6.0
0.5
AC-1005-1N
5
3
10800
1
3.0
-10~+80
13
M10×1.0
5
32.7
27.7
-
3
-
22.9
12.7
3
AC-1005-2N
3
1.5
AC-1005-3N
7
0.8
AC-1008-1N
8
4
15200
2
3.0
-10~+80
19
M10×1.0
8
51
43
-
3
-
38
12.7
3
AC-1008-2N
4
1.5
AC-1008-3N
9
0.8
AC-1210-1
10
5
17640
5
3.0
-10~+80
30
M12×1.0
10
60
50
-
3
-
45.5
14
4
AC-1210-2
10
1.5
AC-1210-3
30
0.8

AC自动补偿-附撞击头
型号
行程
(mm)
最大吸收
能量
Nm(Et)
小时吸收
能量
Nm(Etc)
最大有效
重量
Kg(Me)
最高撞击
速度
m/s(v)
工作
温度
(℃)
重量
(g)
螺纹
公称
行程
(mm)
A B C   D   E F H I
AC-1412-1
12
15
30000
8
3.0
-10~+80
80
M14×1.5
12
102.3
76
12
4
14.3
67
 19 
  5  
AC-1412-2
50
1.5
AC-1412-3
100
0.8
AC-1416-1
16
20
35000
10
3.0
-10~+80
90
M14×1.5
16
125.3
95
12
4
14.3
86
19
5
AC-1416-2
70
1.5
AC-1416-3
150
0.8
AC-2020-1
20
40
40000
30
3.5
-10~+80
215
M20×1.5
20
148
110
18
6
18
101
26
5
AC-2020-2
200
2.0
AC-2020-3
700
1.0
          
型号
行程
(mm)
最大吸收
能量
Nm(Et)
小时吸收
能量
Nm(Etc)
最大有效
重量
Kg(Me)
最高撞击
速度
m/s(v)
工作
温度
(℃)
重量
(g)
螺纹
公称
行程
(mm)
A B   C     D     E  F   G     H     I  
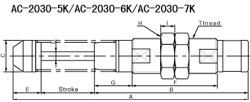
AC-2030-1
30
50
4800
30
3.5
-10~+80
220
M20×1.5
30
158
110
18
6
18
101
-
26
8
AC-2030-2
200
2.0
AC-2030-3
700
1.0
AC-2050-1
50
60
60000
60
35
-10~+80
300
M20×1.5
50
235
167
18
6
18
158
-
26
8
AC-2050-2
400
2.0
AC-2050-3
1200
1.0
ACD-2030-1
30
45
55000
40
3.5
-10~+80
220
M20×1.5
30
189
123
18
6
18
44
3
26
8
ACD-2030-2
300
2.0
ACD-2030-3
900
1.0
ACD-2035-1
35
52
63000
40
3.5
-10~+80
210
M20×1.5
35
223
123
18
6
15
40
5
26
8
ACD-2035-2
200
2.0
ACD-2035-3
650
1.0
      
型号
行程
(mm)
最大吸收
能量
Nm(Et)
小时吸收
能量
Nm(Etc)
最大有效
重量
Kg(Me)
最高撞击
速度
m/s(v)
工作
温度
(℃)
重量
(g)
螺纹
公称
行程
(mm)
A B   C     D     E  F   G     H     I  
AC-2525-1
25
80
5400
200
4.0
-10~+80
330
M25×1.5
25
155.5
111
22
8
19.5
101
-
32
10
AC-2525-2
800
2.5
AC-2525-3
1500
1.0
AC-2540-1
40
120
75000
300
4.0
-10~+80
430
M25×1.5
40
213
137
22
8
36
117
10
32
10
AC-2540-2
1200
2.5
AC-2540-3
2000
1.0
AC-2550-1
50
98
9000
15
4.0
-10~+80
435
M25×1.5
50
240
170.5
22
8
19.5
100
-
32
10
AC-2550-2
40
2.5
AC-2580-3
160
1.0
AC-2580-1
80
150
120000
20
4.0
-10~+80
535
M25×1.5
80
336.5
237
22
8
19.5
100
-
32
10
AC-2580-2
50
2.5
AC-2580-3
200
1.0
AC-3660-1
60
250
12000
400
4.0
-10~+80
1030
M36×1.5
60
248
162
35
10
26
134
17
46
15
AC-3660-2
1500
2.5
AC-3660-3
2400
1.0

AC自动补偿-无撞击头
      
型号
行程
(mm)
最大吸收
能量
Nm(Et)
小时吸收
能量
Nm(Etc)
最大有效
重量
Kg(Me)
最高撞击
速度
m/s(v)
工作
温度
(℃)
重量
(g)
螺纹
公称
行程
(mm)
A
B
   C  
   
D  
  E  
F
H
I
AC-1412-1N
12
15
30000
8
3.0
-10~+80
78
M14×1.5
12
88
76
-
4
-
67
19
6
AC-1412-2N
50
1.5
AC-1412-3N
100
0.8
AC-1416-1N
16
20
35000
10
3.0
-10~+80
88
M14×1.5
16
111
95
-
4
-
86
19
6
AC-1416-2N
70
1.5
AC-1416-3N
150
0.8
型号
行程
(mm)
最大吸收
能量
Nm(Et)
小时吸收
能量
Nm(Etc)
最大有效
重量
Kg(Me)
最高撞击
速度
m/s(v)
工作
温度
(℃)
重量
(g)
螺纹
公称
行程
(mm)
A B   C     D     E   F   G     H   I
AC-2020-1N
20
40
4000
30
3.5
-10~+80
210
M20×1.5
20
130
110
-
6
-
101
-
26
8
AC-2020-2N
200
2.0
AC-2020-3N
700
1.0
AC-2030-1N
30
50
48000
30
3.5
-10~+80
210
M20×1.5
30
140
110
-
6
-
101
-
26
8
AC-2030-2N
200
2.0
AC-2030-3N
700
1.0
AC-2050-1N
50
60
60000
60
3.5
-10~+80
290
M20×1.5
50
217
167
-
6
-
158
-
26
8
AC-2050-2N
400
2.0
AC-2050-3N
1200
1.0
      
型号
行程
(mm)
最大吸收
能量
Nm(Et)
小时吸收
能量
Nm(Etc)
最大有效
重量
Kg(Me)
最高撞击
速度
m/s(v)
工作
温度
(℃)
重量
(g)
螺纹
公称
行程
(mm)
A B   C     D     E   F   G     H   I
AC-2525-1N
25
80
54000
200
4.0
-10~+80
320
M25×1.5
25
136
111
-
8
-
101
-
32
10
AC-2525-2N
800
2.5
AC-2525-3N
1500
1.0
AC-2550-1N
50
98
90000
15
4.0
-10~+80
425
M25×1.5
50
220.5
170.5
-
8
-
100
-
32
10
AC-2550-2N
40
2.5
AC-2550-3N
160
1.0
AC-2580-1N
80
150
120000
20
4.0
-10~+80
525
M25×1.5
80
317
237
-
8
-
100
-
32
10
AC-2580-2N
50
2.5
AC-2580-3N
200
1.0

AC-K系列
      
      
  
型号
行程
(mm)
最大吸收
能量
Nm(Et)
小时吸收
能量
Nm(Etc)
最大有效
重量
Kg(Me)
最高撞击
速度
m/s(v)
工作
温度
(℃)
重量
(g)
螺纹
公称
行程
(mm)
A B   C     D     E   F   G     H   I
AC-1415-6K
15
9.8
35280
30
1
-10~+80
80
M14×1.0
15
95.2
69.5
12
3.5
10.7
53
2
19
5
AC-1415-7K
15
1.5
AC-2030-5K
30
44
26460
60
1.2
-10~+80
185
M20×1.5
30
132.6
85.6
18
5
17
48
21
26
8
AC-2030-6K
30
1.7
AC-2030-7K
15
2.4
AC-2030-16K
5
4.2
205
144.3
97.3
32.7
AC-2030-18K
3
6.0
AC-2050-11K
50
59
35280
30
2
-10~+80
250
M20×1.5
50
221
156
18
5
15
136
3
26
8
AC-2050-12K
15
2.8
AC-2050-13K
8
3.8
AC-2050-16K
5
5.0
235
AC-2050-17K
3
6.8
245
60

AC-S系列
      
型号
行程
(mm)
最大吸收
能量
Nm(Et)
小时吸收
能量
Nm(Etc)
最大有效
重量
Kg(Me)
最高撞击
速度
m/s(v)
工作
温度
(℃)
重量
(g)
螺纹
公称
行程
(mm)
A B   C     D     E  F   G     H     I  
AC-0806-SN
6
3
7000
6
0.3-2.5
-10~+80
15
M8×1.0
6
-
40.6
-
2.8
-
33.6
2
11
3
AC-0806-S
17
55.2
6.6
8.6
AC-1007-SN
7
6
12400
12
0.3-3.5
-10~+80
25
M10×1.0
7
-
47
-
3
-
39
3
12.7
3
AC-1007-S
28
62.6
8.6
8.6
AC-1210-SN
10
12
22500
22
0.3-4.0
-10~+80
29
M12×1.0
10
-
50
-
3
-
45.5
-
14
4
AC-1210-S
32
68.4
10.3
8.4
AC-1412-SN
12
20
33000
40
0.3-5.0
-10~+80
65
M14×1.5
12
-
67
-
4
-
58
4
19
5
AC-1412-S
70
90
12
11
AC-2015-SN
25
80
6000
180
0.3-5.0
-10~+80
150
M20×1.5
15
-
73
-
6
-
62
4
26
8
AC-2015-S
160
103
18
15
AC-2525-SN
25
80
6000
180
0.3-5.0
-10~+80
295
M25×1.5
25
-
92
-
8
-
82
-
32
10
AC-2525-S
280
135.8
22
18.8
AC-2725-SN
25
147
72000
270
0.3-5.0
-10~+80
360
M27×1.5
25
-
111
-
8
-
86
5
36
6
AC-2725-S
375
142.8
99
22
18.8
 
返回上一页
  |  首   页  |  技术支持  |  文档下载  |  企业新闻  |  代理品牌  |  联络我们  |  
销售助理   销售助理 CopyRight 2005 NINETOWNS 南京哈宁轴承制造有限公司 All Right Reserved.
Please read our
abba.8767.com
电话:
025-52217447    传真:025-52300551   Email:hrbn@vip.qq.com
地址:
江苏省南京市莫愁路99号     邮编:210004
网站备案序号:苏ICP备16004265号-1

 
销售助理   销售助理