您所在的位置  技术支持 》 减速机篇 》 台湾精锐广用 》AE系列选配前板配件

返回上一页

 

 
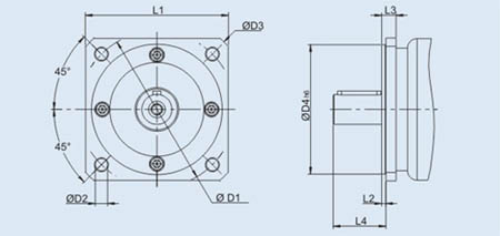
尺寸
D1
D2
D3
D4 h6
L1
L2
L3
L4
66.675
6
77
38.15
57.2
2
8
18.5
70
5.6
80.5
50
60
2.5
8.5
18.5
90
6.6
106
50
80
3
11
28
98.425
5.6
115
73.08
86
2.5
8
30.5
100
6.6
120
80
90
3
8
31
115
9
140
95
105
3
10.5
38.5
125.73
7
144
55.58
107
4
14.5
35.5
149.225
6.6
170
114.3
127
3
17.5
55.5
175
11
196
130
160
5
20
82
230
13
277
180
210
5
23
82
275
17
317
235
240
5
23
108
 
返回上一页
  |  首   页  |  技术支持  |  文档下载  |  企业新闻  |  代理品牌  |  联络我们  |  
销售助理   销售助理 CopyRight 2005 NINETOWNS 南京哈宁轴承制造有限公司 All Right Reserved.
Please read our
abba.8767.com
电话:
025-52217447    传真:025-52300551   Email:hrbn@vip.qq.com
地址:
江苏省南京市莫愁路99号     邮编:210004
网站备案序号:苏ICP备16004265号-1

 
销售助理   销售助理