• 官网首页
  • 设为首页
  • 收藏本站
  • 手机版
  • 官方微信
    微信公众号 添加方式:
    1:搜索微信号(13801591302
    2:扫描左侧二维码
  • 查看: 270|回复: 0

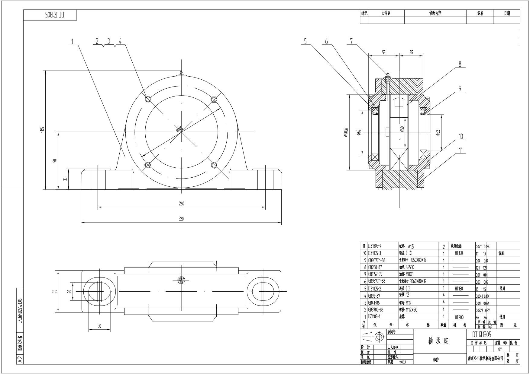
    DTIIZ1305传送机械专用座图纸

    [复制链接]

    332

    主题

    0

    回帖

    1007

    积分

    管理员

    积分
    1007
    发表于 2025-8-30 09:44:19 | 显示全部楼层 |阅读模式
    • 价格:¥200原价:¥2000包邮
    • 库存:2000
    • 分类:轴承系列
    • QQ : 在线咨询
    • 发货地:江苏南京江宁区禄口秦禄大道2号10区4栋105-106

    商品描述
    DTIIZ1305轴承座、DTIIZ1306轴承座、DTIIZ1308轴承座、DTIIZ1310轴承座、DTIIZ1312轴承座、DTIIZ1314轴承座、DTIIZ1316轴承座、DTIIZ1318轴承座、DTIIZ1405轴承座、DTIIZ1406轴承座、DTIIZ1408轴承座、DTIIZ1410轴承座、DTIIZ1412轴承座、DTIIZ1414轴承座、DTIIZ1416轴承座、DTIIZ1418轴承座

    本帖子中包含更多资源

    您需要 登录 才可以下载或查看,没有账号?立即注册

    ×
    我要说一句 收起回复
    您需要登录后才可以回帖 登录 | 立即注册

    本版积分规则

    QQ 手机版 在线客服 南京哈宁轴承制造有限公司 © X3.5 © 2001-2023

    快速回复 返回顶部 返回列表